Impala Door Lock Actuator Problem

Universal Door Lock Actuator In Chevy Impala 8 Fix Youtube

Universal Door Lock Actuator In Chevy Impala 8 Fix Youtube

How To Replace Rear Door Lock Actuator On 2008 Impala Youtube

How To Replace Rear Door Lock Actuator On 2008 Impala Youtube

Impala Door Lock Solenoid Replacement Youtube

Impala Door Lock Solenoid Replacement Youtube

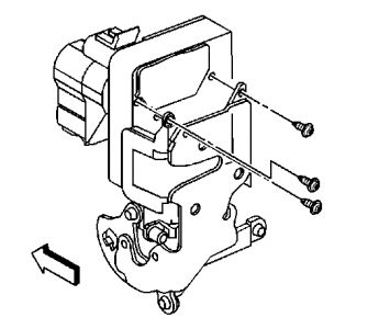
How To Install Replace Power Door Lock Actuator 2006 12 Chevy Impala Youtube

How To Install Replace Power Door Lock Actuator 2006 12 Chevy Impala Youtube

How To Replace Door Lock Actuator Integrated Latch 06 11 Chevy Impala Youtube

How To Replace Door Lock Actuator Integrated Latch 06 11 Chevy Impala Youtube

Symptoms Of A Bad Or Failing Door Lock Relay Yourmechanic Advice

Symptoms Of A Bad Or Failing Door Lock Relay Yourmechanic Advice

Symptoms Of A Bad Or Failing Door Lock Relay Yourmechanic Advice

These particular car was 2009 impala but its basicly the same procedures on all these yea.

Impala door lock actuator problem.

2009 chevrolet impala 5 out of 5 stars 1 1 product ratings front right door lock actuator motor for 2006 2011 chevrolet impala 2008 dorman. 2 door lock actuators replaces oe number. The rear power door lock actuators have failed. Page 1 of 2.

Front driver door lock actuator with 7 pins connector. Front driver and passenger side notes. This product can expose you to chemicals including lead which is known to. The connection between the door lock and the door lock switch is lost.

Not for chevrolet impala ls submodel components. Average repair cost is 200 at 62 500 miles. 20790497 20790495 quantity sold. Five problems related to power door locks not working have been reported for the 2008 chevrolet impala.

The 2009 chevrolet impala has 25 problems reported for door locks stop working. 1 year unlimited mileage warranty prop 65 warning. One or both will fail for weeks at a time but may occasionally surprise you and work once or twice. Please also check out the statistics and reliability analysis of the 2008 chevrolet impala based on all problems reported for the 2008 impala.

While you are able to use a manual key it s a safety risk to rely solely on this to enter and exit your vehicle. Buy your door lock actuator for chevy impala online and use the same day store pickup option to get it fast at your favorite store. How to replace the door lock actuator on a chevy impala 2006 20012. The rear passenger door lock failed first then a few thousand miles later the driver side actuator failed.

Front left driver side integrated door lock actuator assembly compatible with 2006 2011 impala ltz 2006 2009 impala ss 2006 2009 impala lt v6 3 9l 5 0 out of 5 stars 1 33 66 33. The problem is intermittent but with a 90 occurrence of failure.

Power Door Lock Troubleshooting And Replacement For Most Gm Sedans 2006 2010 Youtube

Power Door Lock Troubleshooting And Replacement For Most Gm Sedans 2006 2010 Youtube

Door Lock Actuator Problems Testing Replacement

Door Lock Actuator Problems Testing Replacement

Amazon Com Door Lock Actuator Compatible With Impala 06 11 Rear Right Side Integrated W Latch Automotive

Amazon Com Door Lock Actuator Compatible With Impala 06 11 Rear Right Side Integrated W Latch Automotive

Amazon Com Cciyu Door Lock Actuators Door Latch Front Right Fits For 2006 2011 For Chevrolet Impala 931 305 Automotive

Amazon Com Cciyu Door Lock Actuators Door Latch Front Right Fits For 2006 2011 For Chevrolet Impala 931 305 Automotive

2008 Chevy Impala Driver Door Remote Door Lock Not Working

2008 Chevy Impala Driver Door Remote Door Lock Not Working

Chevy Impala Door Won T Close How Can I Fix It

Chevy Impala Door Won T Close How Can I Fix It

Amazon Com Dade Door Lock Actuator Motor Rear Left 931 332 20790501 Dla 675 Dla1398 Dla675 1802 559730 For 2006 2011 Chevrolet Impala Automotive

Amazon Com Dade Door Lock Actuator Motor Rear Left 931 332 20790501 Dla 675 Dla1398 Dla675 1802 559730 For 2006 2011 Chevrolet Impala Automotive

Driver Door Stays Locked Can T Be Unlocked With Remote Cadillac Owners Forum

Driver Door Stays Locked Can T Be Unlocked With Remote Cadillac Owners Forum

I Have A 2002 Saturn Sc2 My Door Locks Are Malfunctioning On Both The Driver And Passenger Sides At First My Remote

I Have A 2002 Saturn Sc2 My Door Locks Are Malfunctioning On Both The Driver And Passenger Sides At First My Remote

Amazon Com Fexon Door Latch Lock Actuator Motor Rear Left Replacement For 2006 2011 Impala 931 332 10338777 15277755 20790501 25876457 Automotive

Amazon Com Fexon Door Latch Lock Actuator Motor Rear Left Replacement For 2006 2011 Impala 931 332 10338777 15277755 20790501 25876457 Automotive

Bad Door Lock Actuator Symptoms 4 Signs To Watch Out For In The Garage With Carparts Com

Bad Door Lock Actuator Symptoms 4 Signs To Watch Out For In The Garage With Carparts Com

Diagram 2008 Impala Door Lock Actuator Wiring Diagram Full Version Hd Quality Wiring Diagram Venndiagramonline Galleriaduomo It

Diagram 2008 Impala Door Lock Actuator Wiring Diagram Full Version Hd Quality Wiring Diagram Venndiagramonline Galleriaduomo It

Symptoms Of A Bad Or Failing Trunk Lock Actuator Yourmechanic Advice

Symptoms Of A Bad Or Failing Trunk Lock Actuator Yourmechanic Advice

Honda Crv Door Lock Actuators Repair Door Locks Do Not Work Honda Crv Youtube

Honda Crv Door Lock Actuators Repair Door Locks Do Not Work Honda Crv Youtube

Source : pinterest.com